
J41W不鏽鋼截止閥(fa)産品介紹:J41W不鏽(xiu)鋼截止閥适用(yòng)于各類腐蝕性(xìng)介質的管道上(shang),有良好的防🌏腐(fǔ)性、足夠的強度(du)。 合金鋼截止閥(fa)适用于耐高溫(wēn)的蒸汽、油🌈品管(guǎn)道上,具有耐高(gao)溫特點。
J41W不鏽鋼(gang)截止閥應用範(fan)圍:
J41W不鏽鋼截止(zhǐ)閥主要材質為(wei):CF8、CF3、CF8M、CF3M 、2520、雙相不鏽鋼、G1Cr18Ni9Ti、ZG1Cr18Ni12Mo2Ti等(deng)。産品主要應用(yong)🙇♀️于石化、化工、電(dian)力、冶金、醫藥、食(shí)品等行業。
J41W不鏽(xiu)鋼截止閥産品(pǐn)型号:J41W-16P、J41W-16R、J41W-16RL、J41W-25P、J41W-25R、J41W-25RL、J41W-40P、J41W-40R、J41W-40RL、J41W-64P、J41W-64R、J41W-64RL
| 型 号 Type | 公稱(cheng)壓力 Nominal pressure | 試驗壓力(lì)Test pressure | 工作溫度(℃) Working Temperature | 适用(yong)介質 Suitable Medium | ||
| 強度(水)Mpa | 密(mi)封(水)空氣(Mpa) | 低壓(yā)密封(空氣)Mpa | ||||
| J41W-16P(R) | 1.6 | 2.4 | 1.8 | 0.6 | ≤200 | NITRIC ACID |
| 硝 酸(suān) 類 | ||||||
| J41W-25P(R) | 2.5 | 3.8 | 2.8 | 0.6 | ≤200 | ACETIC ACID |
| 醋 酸 類 | ||||||
| J41W-40P(R) | 4.0 | 6.0 | 4.4 | 0.6 | ≤200 | NITRIC ACID |
| 硝 酸(suan) 類 | ||||||
| J41W-64P(R) | 6.4 | 9.6 | 7.0 | 0.6 | ≤200 | ACETIC ACID |
| 醋 酸 類 | ||||||
J41W不鏽(xiù)鋼截止閥結構(gou)特點:
1、結構先進(jìn)、密封可靠、性能(neng)優良、造型美觀(guan)。提高了閥杆的(de)鋼度,顯著降低(di)了噪音和振動(dong),提高了閥門的(de)使用壽命與各(ge)項性能。
2、截止閥(fá)可以安裝在管(guan)道的任何位置(zhi)上,介質從下往(wǎng)上流。
3、DN250以上采用(yòng)先進的多密封(feng),雙支架,采用導(dǎo)向運動(能極大(da)提高抗🚶♀️水錘沖(chòng)擊)、介質從上方(fāng)進入,較好解決(jue)了大口徑截止(zhi)閥啟閉力🔆矩大(da),密封無法關嚴(yán),填料室跑冒,有(yǒu)力提高了閥門(men)各項性能與⭕使(shǐ)用範圍。(“關👌”的力(lì)矩是普通閥門(mén)的10%“開”的力矩是(shi)普通閥門的3%)。
4、不(bu)鏽鋼截止閥适(shì)用于各類腐蝕(shi)性介質的管道(dào)上🌂,有💃🏻良⛷️好☂️的防(fang)💚腐蝕性和足夠(gòu)的強度。
5、合金鋼(gāng)截止閥适用于(yu)耐高溫的蒸汽(qì)、油品管道上,具(jù)有耐高溫特點(diǎn)。
J41W不鏽鋼截止閥(fá)标準規範:
設計(jì)制造标準:GB/T 12235
結構(gòu)長度标準:GB/T 12221-2005
連接(jiē)法蘭标準:GB/T 9113
壓力(li)溫度等級:GB/T 12224-2005
試驗(yàn)檢驗标準:GB/T 13927-2008
J41W不鏽(xiu)鋼截止閥零件(jiàn)材料與工況:
| 零(líng)件名稱 Part name | 材 料Material | |
| Q41W-16P-25P-40R | Q41W-16R-25P-40R | |
| 閥(fa)體、閥蓋 Body donnet | 鉻鎳钛(tài)鋼 Ci Ni Ti | 鉻鎳钼钛鋼(gang) Ci Ni Mo Ti Steel |
| 閥 闆 Wedge gate | ||
| 閥 杆 Stem | ||
| 閥杆(gǎn)螺母 Stem | 鋁鐵青銅(tóng)Al bronze | |
| 手 輪 Hand wheel | 灰鑄鐵、可(ke)鑄鍛鐵 Castirom forageable casriron | |

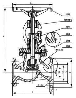
J41W-16P J41W-16R J41W-16L J41W-16RL 不鏽(xiù)鋼截止閥外形(xing)及結構尺寸(mm)
| 型(xíng) 号 Type | 公稱通徑 DN | 尺(chi) 寸(mm) | |||||||
| L | D | D1 | D2 | H | b-f | Z-Φd | Do | ||
| J41W-16P(R) | 15 | 130 | 95 | 65 | 45 | 170 | 16-2 | 4-14 | 120 |
| 20 | 150 | 105 | 75 | 55 | 190 | 16-2 | 4-14 | 140 | |
| 25 | 160 | 115 | 85 | 65 | 205 | 16-2 | 4-14 | 160 | |
| 32 | 180 | 135 | 100 | 78 | 270 | 18-2 | 4-18 | 180 | |
| 40 | 200 | 145 | 110 | 85 | 310 | 18-3 | 4-18 | 200 | |
| 50 | 230 | 160 | 125 | 100 | 358 | 18-3 | 4-18 | 240 | |
| 65 | 290 | 180 | 145 | 120 | 373 | 18-3 | 4-18 | 280 | |
| 80 | 310 | 195 | 160 | 135 | 435 | 20-3 | 8-18 | 320 | |
| 100 | 350 | 215 | 180 | 155 | 500 | 20-3 | 8-18 | 360 | |
| 125 | 400 | 245 | 210 | 185 | 614 | 22-3 | 8-18 | 400 | |
| 150 | 480 | 280 | 240 | 210 | 674 | 24-3 | 8-23 | 400 | |
| 200 | 600 | 335 | 295 | 265 | 818 | 26-3 | 12-14 | 450 | |
| 250 | 730 | 405 | 355 | 320 | 969 | 30-3 | 12-14 | 550 | |
| 型号 Type | 公稱(chēng)通徑 DN | 尺 寸(mm) | |||||||
| L | D | D1 | D2 | H | b-f | Z-Φd | Do | ||
| J41W-25P(R) | 15 | 130 | 95 | 65 | 45 | 233 | 16-2 | 4-14 | 120 |
| 20 | 150 | 105 | 75 | 55 | 275 | 16-2 | 4-14 | 140 | |
| 25 | 160 | 115 | 85 | 65 | 285 | 16-2 | 4-14 | 160 | |
| 32 | 180 | 135 | 100 | 78 | 302 | 18-2 | 4-18 | 180 | |
| 40 | 200 | 145 | 110 | 85 | 355 | 18-3 | 4-18 | 200 | |
| 50 | 230 | 160 | 125 | 100 | 362 | 20-3 | 4-18 | 240 | |
| 65 | 290 | 180 | 145 | 120 | 400 | 22-3 | 8-18 | 280 | |
| 80 | 310 | 195 | 160 | 135 | 430 | 22-3 | 8-18 | 320 | |
| 100 | 350 | 230 | 190 | 160 | 465 | 24-3 | 8-23 | 360 | |
| 125 | 400 | 270 | 220 | 188 | 550 | 28-3 | 8-25 | 400 | |
| 150 | 480 | 300 | 250 | 218 | 700 | 30-3 | 8-25 | 400 | |
| 200 | 600 | 360 | 310 | 278 | 780 | 34-3 | 12-14 | 450 | |
| 250 | 730 | 425 | 370 | 335 | 900 | 36-3 | 12-14 | 550 | |
上一(yī)篇:Z41W不鏽鋼閘閥(fa)
下一篇:沒有了(le)
返回(hui)首頁·
›
›
›