
名稱:山(shān)東昆明彩和材料制造有限公司(5G网站)
地址:山東省臨(lin)美女打🔞扑克影视㊙️沂市費縣探沂鎮(zhèn)
經濟開發區縱二(èr)路西側
電話:0539-8338848
手機(ji):13455966866 / 13188710977
傳真:0539-8338848
郵編:276000
郵箱:[email protected]
網(wang)址:http://www.lysx.cc

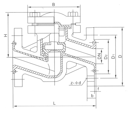
一、升降式襯氟止(zhi)回閥H41F46【概述】
止回閥(fá)是一種依靠介質(zhi)本身的流動而自(zì)動啟閉閥瓣用來(lai)阻🔴止介質逆向流(liu)動的自動閥門,襯(chèn)裡止💃回閥基本類(lei)型🔆有四種:H41型✂️法蘭(lán)連接直通升降式(shi)止回閥和H42型升降(jiàng)立式止⚽回閥、H44旋啟(qi)式止回閥、H40浮球式(shi)止回閥。

二、升降式(shi)襯氟止回閥【主要(yao)外形和連接尺寸(cùn)】
| 公稱通徑 | 标準值(zhi) | 參考值 | |||||||||
| DN(mm) | NPS(inch) | L | D | D1 | D2 | f | b | Z-φd | B | H | WT(kg) |
| PN1.0MPa | |||||||||||
| 15 | 1/2 | 130 | 95 | 65 | 45 | 2 | 14 | 4-φ14 | 105 | 55 | 5 |
| 20 | 3/4 | 150 | 105 | 75 | 55 | 2 | 16 | 4-φ14 | 115 | 58 | 7 |
| 25 | 1 | 160 | 115 | 85 | 65 | 2 | 16 | 4-φ14 | 128 | 60 | 9 |
| 32 | 11/4 | 180 | 135 | 100 | 78 | 2 | 18 | 4-φ18 | 145 | 75 | 11 |
| 40 | 11/2 | 200 | 145 | 110 | 85 | 3 | 18 | 4-φ18 | 160 | 82 | 13.5 |
| 50 | 2 | 230 | 160 | 125 | 100 | 3 | 20 | 4-φ18 | 178 | 95 | 18 |
| 65 | 21/2 | 290 | 180 | 145 | 120 | 3 | 20 | 4-φ18 | 205 | 105 | 22 |
| 80 | 3 | 310 | 195 | 160 | 135 | 3 | 22 | 4-φ18 | 230 | 120 | 28 |
| 100 | 4 | 350 | 215 | 180 | 155 | 3 | 22 | 8-φ18 | 255 | 135 | 34 |
| 125 | 5 | 400 | 245 | 210 | 185 | 3 | 24 | 8-φ18 | 305 | 158 | 58 |
| 150 | 6 | 480 | 280 | 240 | 210 | 3 | 24 | 8-φ23 | 345 | 180 | 72 |
| 200 | 8 | 600 | 335 | 295 | 265 | 3 | 26 | 8-φ23 | 415 | 215 | 150 |
| 250 | 10 | 622 | 390 | 350 | 320 | 3 | 28 | 12-φ23 | 490 | 240 | 165 |
| 300 | 12 | 698 | 440 | 400 | 368 | 4 | 28 | 12-φ23 | 540 | 265 | 190 |
| 350 | 14 | 787 | 500 | 460 | 428 | 4 | 30 | 16-φ23 | 585 | 300 | 225 |
| 400 | 16 | 914 | 565 | 515 | 482 | 4 | 32 | 16-φ25 | 635 | 360 | 254 |
| 450 | 18 | 978 | 615 | 565 | 532 | 4 | 32 | 20-φ25 | 680 | 385 | 285 |
| 500 | 20 | 978 | 670 | 620 | 585 | 4 | 34 | 20-φ25 | 740 | 415 | 333 |
上一篇:微阻緩(huan)閉消聲止回閥
下(xià)一篇:無磨損球型(xing)止回閥
Copyright © 2002-2018 昆明彩和材料制造有限公司(5G网站) 版權(quán)所有 電話:0539-5050799 手機:13455966866 / 13188710977 郵(you)箱:[email protected]
網址:http://www.lysx.cc 地址:山東(dong)省臨沂市費縣探(tan)沂鎮經濟開發區(qu)縱二路西側
版權(quán)所有:山東昆明彩和材料制造有限公司(5G网站) 技術支(zhī)持:TCdream ICP備案号(hao): 魯ICP備17007914号
·
›
›

